
一、光照度变送器产品简介
山东风途物联网科技有限公司作为专业研发生产气象传感器的企业,一直致力于气象传感器和气象环境解决方案推广应用。具有完整的生产链、实力雄厚的技术团队和全面的营销团队,我们研发生产的传感器已广泛应用到智慧农业、气象监测、城市环境监测、风力发电、航海船舶、航空机场、桥梁隧道等领域,客户遍布全国各地,并取得了良好的社会效益和经济效益。
二、光照度变送器产品特点
1、抗干扰能力强,具有看门狗电路,自动复位功能,保证系统稳定运行
2、高集成度,无移动部件,零磨损
3、免维护,无需现场校准
4、采用ASA工程塑料室外应用常年不变色
5、产品设计输出信号标配为RS485通讯接口(MODBUS协议);可选配232、USB、以太网接口,支持数据实时读取☆
6、可选配无线传输模块,最小传输间隔1分钟
三、光照度变送器技术参数
1、光照:0-157286LUX(<±3%)
2、功率:0.24W
3、生产企业具有计算机软件注册证书☆
4、生产企业为3A级信用企业☆
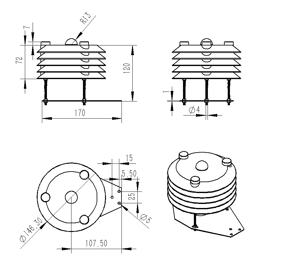
四、光照度变送器产品尺寸图

五、光照度变送器产品结构图

文章地址://m.ggxrjlb.com/zhqx/2715.html




